Novi artikli
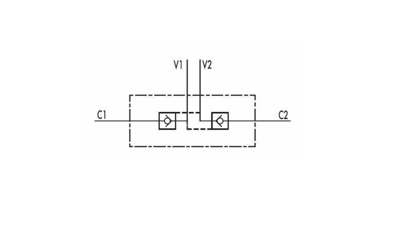
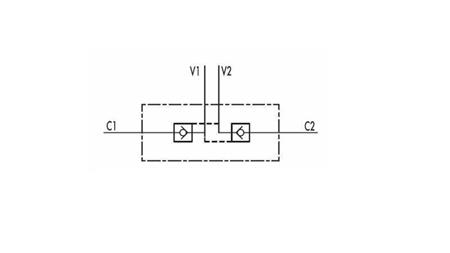
BLOK VENTIL VBPDE 3/8 - 35lit S CEVMI
Šifra:
10426
OEM:
9990000003525
Stopnja davka
22 %
Cena brez DDV:
21,31 EUR
Cena z DDV:
26,00 EUR
Ref:
350
Dobavitelj:
Italija
Maksimalni tlak:
350 bar
Vračilo ali menjava:
14 dni
Teža izdelka:
0,776 kg
Garancija:
6 mesecev
Max. pretok:
35 l/min
Zaščita:
cinkan









