Uudet tuotteet
HYDRAULINEN VENTTIILI 3XP120
Yleiskuvaus:
Manuaalinen tai mekaaninen hydraulinen venttiili Р120 on suunniteltu työvirran jakamiseen ja hallintaan hydraulipumpun ja kuluttajien (sylinterit, hydrauliset moottorit…) välillä.
Hydrauliventtiilejä käytetään erilaisiin tarkoituksiin maataloudessa, teollisuudessa, rakentamisessa jne. hallitsemaan:
- yksitoimisia sylintereitä
- kaksitoimisia sylintereitä
- hydraulisia moottoreita
- kelluvia toimintoja (auralle)
- joystickejä (ylös-alas, vasen-oikea)
Ne kootaan 1-4 vivun lohkoon.
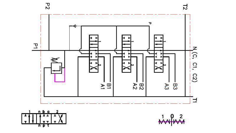
Toiminta:
Kaikki hydrauliventtiilit on varustettu turvaventtiilillä. Neutraalissa asennossa (vipu keskellä) öljy kiertää venttiilin läpi. Kun vipua siirretään toiselle puolelle, hydrauliventtiili aiheuttaa sylinterin liikkeen tai hydraulimoottorin pyörimisen yhteen suuntaan tai toiseen. Vapautettaessa vipu se palautuu automaattisesti neutraaliin asentoon, hydraulimoottori tai sylinteri pysähtyy nykyiseen asentoon, ja öljy kiertää jälleen venttiilin läpi. On mahdollista käyttää niin sanottua 'suljettua keskusta' elementtiä, joka muuttaa venttiiliä siten, että neutraalissa asennossa öljy ei kierrä venttiilin läpi tai tällainen venttiili ei enää vuoda. Käytettäessä tai liitettäessä muita venttiilejä on tarpeen käyttää 'carry over' elementtiä, joka mahdollistaa öljyn syötön muille venttiileille.
Kelluvia toimintoja varten varustetuissa venttiileissä se sallii sylinterin vapaan öljyvirran, mikä tarkoittaa, että sylinteri liikkuu vapaasti (tai lumiaura mukautuu maastoon).
Yksitoimisia sylintereitä varten varustetut venttiilit on tarkoitettu yksitoimisille sylintereille.
Rakenteet:
Р120 on monoblock-jakeluventtiili. Se on valmistettu valuraudasta EN-GJL300. Spindelit on valmistettu hiiliteräksestä ja ne on kovakromattu.
Liitännät:
Liitännät: Spindeli on kiinnitetty neljällä M10 ruuvilla







