Új termékek
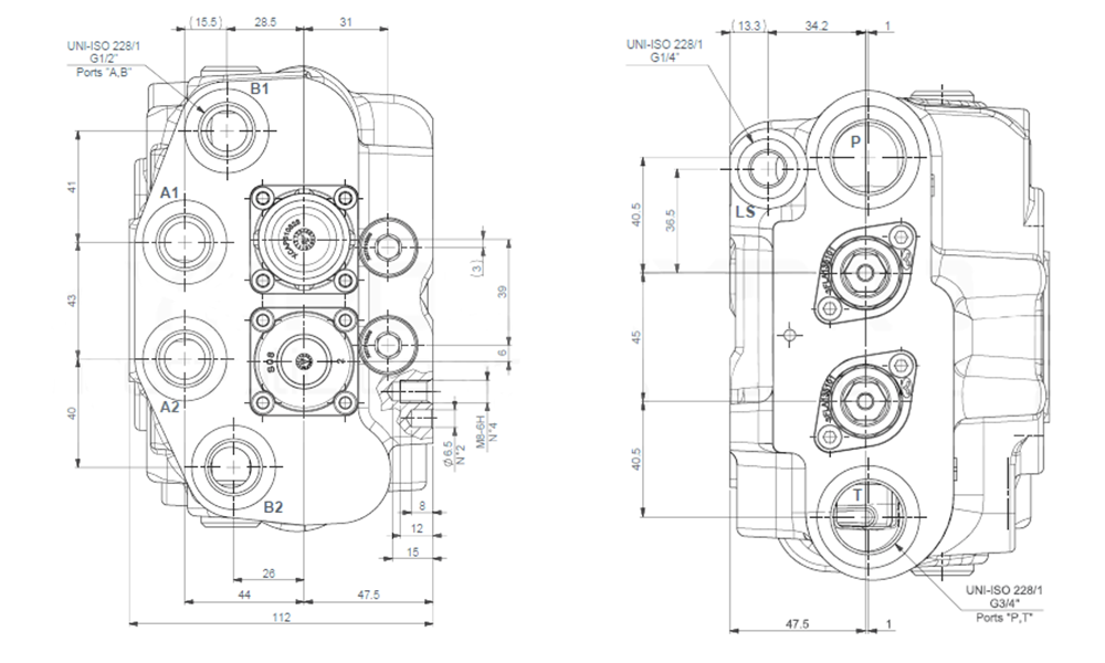
HIDRAULIKUS SZABÁLYOZÓ SZELEP DLM-122/2 2xP80 L/min LOAD SENSING ÚSZTÁS FUNKCIÓVAL
|
Szállító: |
Spanyolország |
|
Visszaküldés vagy csere: |
14 nap |
|
Súly: |
12,50 kg |
|
Garancia: |
6 hónap |
NYOMÁSTARTOMÁNY:
|
Maximális tápnyomás: |
250 bar |
|
Max. munkahelyi nyomás: |
300 bar |
|
Ellennyomás: |
max. 10 bar |
|
A túlfolyószelep gyárilag a következőkre van beállítva: |
180 bar |
KAPCSOLAT:
|
Tápcsatlakozó port: |
3/4'' |
|
Visszatérő port csatlakozás: |
3/4'' |
|
Szekció portok csatlakozása: |
1/2'' |
|
LS port csatlakozás: |
1/4'' |
|
Belső csőmenet: |
M16x1.5 |
|
Belső csúszóvég menet: |
M6x1.5 |
OLAJHŐMÉRSÉKLET-TARTOMÁNY ÉS TÍPUS:
|
Megengedett környezeti hőmérséklet: |
-40 °C és 60 °C között |
|
Megengedett olajhőmérséklet: |
-15°C és 80°C között |
|
Ajánlott: |
Ásványi olaj alapú hidraulikaolaj (HL 32 vagy HL 46) |
|
Névleges áramlás: |
80 L/min |
Leírás:
HIDRAULIKUS SZABÁLYOZÓ SZELEP DLM-122/2 2xP80 L/min LOAD SENSING ÚSZTÁS FUNKCIÓVAL
A homlokrakodó vezérlésére egy "load sensing" funkcióval rendelkező hidraulikus vezérlőszelep szolgál. Két szekciója van, amelyek lehetővé teszik a kétirányú hidraulikus hengerek vezérlését. A vezérlőszelepet ráköthetjük a joystick - "load sensing" funkcióra (ajánlott). Csak a vezérlőegység (joystick) marad a kabinban. Ez biztosítja, hogy nem áll fenn az olajszivárgás veszélye a kabinban.
Az elosztó egy porttal van felszerelve, amely az LS jelet küldi a szivattyúnak. Az egyik szakasz lebegő helyzetű. Úgy tervezték, hogy zárt rendszerekben működjön a LOAD SENSING (MDL) rendszerrel.













