Novi artikli
HIDRAVLIČNI PROPORCIONALNI TRAKTORSKI ZAVORNI VENTIL - OLJNI SISTEM

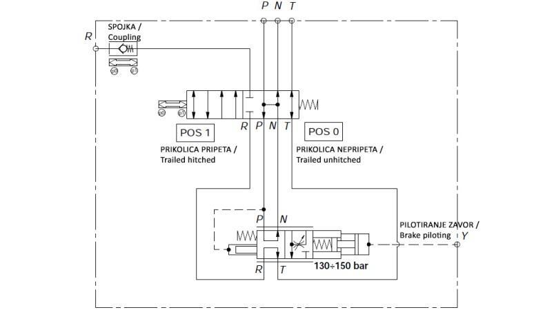
Opis:
Hidravlični proporcionalni traktorski zavorni ventil je komponenta, preko katerega lahko sinhrono zaviramo prikolico s traktorjem. Ventil se namesti na traktor, ki se priklopi na hidravliko in smerne ventile ter obstoječi zavorni sistem. Zavorni ventil se upravlja direktno preko zavornega tlaka traktorja. Brez pritiska v hidravličnem sistemu Y (traktorski zavorni sistem) je R povezan na T (rezervoar) in P povezan na N (višek pretoka).
Ko pretok v Y narašča, sila pretoka aktivira povratno vzmet, ki zapre povezavo med R in T ter vzpostavi povezavo med R in P. Po potrebi se pretok zmanjša med P in N, da ustvari tlak v R.
Load Sensing ventil (LS) je nameščen na R. Največji pritisk na zavorni sistem je 130 - 150 bar.
V prvi fazi zaviranja, lahko ventil preusmeri celoten pretok iz črpalke v zavore prikolice, zato je lahko porabnik na priključku N za kratek čas brez olja.
Opomba pri vgradnji:
Proporcionalni ventil je varnostni element, ki zahteva največ pozornosti pri pregledu in servisiranju ventila. Ventila ne nameščajte pred ostale varnostne komponente (npr. krmiljenje).
Navadno se ventil namesti med črpalko (s konstantnim pretokom ali Load Sensing ventil (ventil za zaznavanje obremenitve)) in krmilnim ventilom, v katerem ni ostalih varnostnih komponent na tem hidravličnem krogotoku..










