Novi artikli
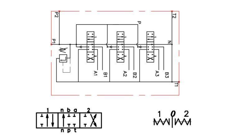
ROČNI HIDRAVLIČNI VENTIL SEKCIJSKI 3xPC70
Šifra:
12158
OEM:
9990000065523
Stopnja davka
22 %
Cena brez DDV:
221,31 EUR
Cena z DDV:
270,00 EUR
Ref:
12

Informativen izračun ob nakupu na obroke
polog0,00 EUR
3 × 90,00 EUR
polog0,00 EUR
6 × 49,74 EUR
polog0,00 EUR
12 × 25,37 EUR
polog0,00 EUR
24 × 13,19 EUR
Dobavitelj:
Bolgarija
maksimalni tlak priključek "T":
50 bar
Vračilo ali menjava:
14 dni
Teža izdelka:
13,45 kg
Nazivni pretok:
70 lit/min
Garancija:
6 mesecev
Delovna temperatura:
-40 do + 60°C
maksimalni tlak priključek "P":
250 bar
Delovna temperatura olja:
-15 do +80°C
Tovarniško nastavljen varnostni ventil:
180 bar
Območje nastavitve varnostnega ventila:
50-250 bar
maksimalni tlak priključek "A" in "B":
300 bar






