Novi artikli
-20%
HIDRAVLIČNI VITEL DWHI 16000 HD - 7257 kg
OPOMBA: VEČJI ARTIKEL (možna sprememba poštnine, v tem primeru vas telefonsko obvestimo)
Šifra:
11915
OEM:
9990000036868
Stara cena z DDV:
1.380,00 EUR
Stopnja davka
22 %
Popust:
20 % ( 276,00 EUR )
Cena brez DDV:
1.131,15 EUR
AKCIJE
1.104,00 EUR
Najnižja cena v 30 dneh
1.380,00 EUR
Ref:
11

Informativen izračun ob nakupu na obroke
polog0,00 EUR
3 × 399,68 EUR
polog0,00 EUR
6 × 202,08 EUR
polog0,00 EUR
12 × 103,30 EUR
polog0,00 EUR
24 × 53,97 EUR
polog0,00 EUR
36 × 37,56 EUR
polog0,00 EUR
48 × 29,40 EUR
polog0,00 EUR
60 × 24,52 EUR
polog0,00 EUR
72 × 21,29 EUR
polog0,00 EUR
84 × 19,01 EUR
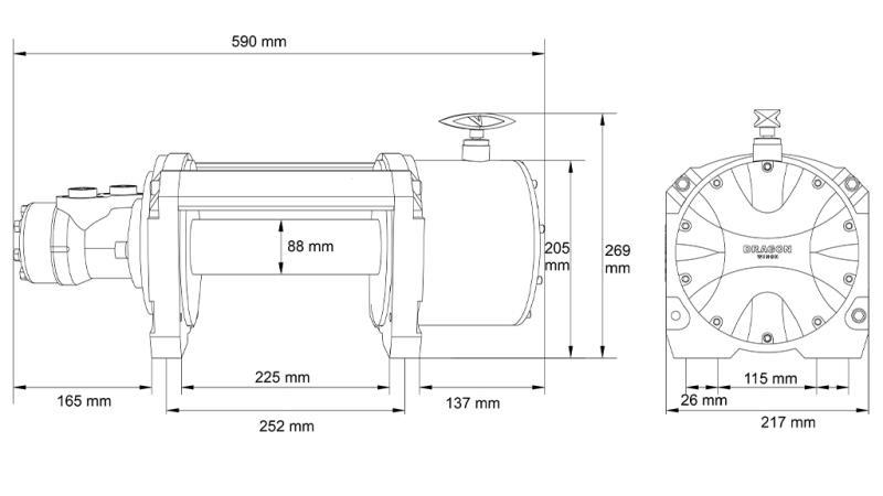
HIDRAVLIČNI VITEL DWHI 16000 HD je zelo vzdržljiv vitel, z močnim motorjem, namenjen za uporabo v najtežjih pogojih. Namenjen za gasilska vozila, terenska vozila 4×4, tovornjake 4×4, ipd.
Vlečna sila:
– prvi sloj žične vrvi: 7257 kg
– zadnji sloj žične vrvi: 4944 kg
Hitrost navijanja žične vrvi:
– prvi sloj žične vrvi: 4,2 m/min
– zadnji sloj žične vrvi: 5,6 m/min

Dobavitelj:
Poljska
pritisk olja:
17,5 Mpa
Pretok olja:
60 l/min
Vračilo ali menjava:
14 dni
Vlečna sila:
7257 kg
dolžina žične vrvi:
31 m
napajanje:
hidravlično
Dimenzije (d/š/v):
590 mm x 269 mm x 217 mm
dimenzije razmaka lukenj za montažo:
252 mm x 115 mm
Teža izdelka:
72 kg







