Új termékek
HIDRAULIKUS SZIVATTYÚ 10A4.2X179 GR.1 - 4,2cc - BAL
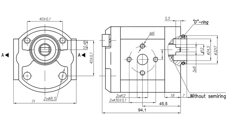
| Műszaki információk | |
| Szállító: | Törökország |
| Visszaküldés vagy csere: | Nem lehetséges |
| Garancia: | 6 hónap |
| Modell: | 10A4.2X179 |
| Forgásirány: | Bal (A) |
| Űrtartalom: | 4,2 cm3/fordulat |
| Méret: | GR.1 |
| Fordulatszám: | max. 3500 rpm |
| Csatlakozó/menekülés menete: |
Beömlő (M = M20x1,5, G = G 1/2", UNF = 7/8"-14 UNF), kiömlő (M = M16x1,5, G = G 3/8", UNF = 9/16"-18 UNF) |
| Névleges nyomás: | 250 bar |
| Átáramlási sebesség: | 5,92 l/perc 1500 rpm-nél és 13,82 l/perc max. fordulatszámon |
Leírás
A hidraulikus szivattyúk minden hidraulikus rendszer kulcsfontosságú elemei, mivel a mechanikai energiát hidraulikus energiává alakítják át. Számtalan alkalmazásuk van, például mezőgazdasági gépekben, építőipari berendezésekben, ipari eszközökben és szállítórendszerekben.
Kínálatunkban kiváló minőségű fogaskerék hidraulikus szivattyúkat talál különböző méretekben (GR), űrtartalomban és konfigurációkban, amelyek megbízható működést, hosszú élettartamot és egyszerű beszerelést biztosítanak. Stabil olajáramlást, magas hatékonyságot és minimális veszteségeket garantálnak, hozzájárulva a teljes rendszer optimális teljesítményéhez.
Méretek










