Neue Artikel

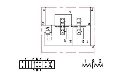
    HYDRAULIKVENTIL 2xZ80
    Hydraulikventil 2xP80
    VERKABELUNGSSCHEMA 2xP80
    HYDRAULIKVENTIL 2xZ80
    Hydraulikventil 2xP80
    VERKABELUNGSSCHEMA 2xP80

    HYDRAULIKVENTIL 2xZ80

    Artikel Nummer
    10116
    OEM:
    9990000000531
    Steuersatz
    22 %
    Preis exklusive Mehrwertsteuer:
    94,26 EUR
    Preis inklusive Mehrwertsteuer:
    115,00 EUR
    Ref:
    130
    ZUM EINKAUFSWAGEN HINZUFÜGEN

    Allgemeine Beschreibung:

    Die manuellen oder mechanischen Hydraulikventile Z80 sind für die Verteilung und Steuerung des Betriebsstroms zwischen der Hydraulikpumpe und den Verbrauchern (Zylinder, Hydraulikmotoren usw. ) bestimmt.
    Hydraulikventile werden für eine Vielzahl von Anwendungen in der Landwirtschaft, der Industrie, dem Bauwesen usw. eingesetzt. für die Lenkung:

    • Einfachwirkende Zylinder
    • Doppelwirkende Zylinder
    • Öl Motore
    • Schwimmfunktionen für Pflug
    • Joystick - Kreuzhebel (auf und ab, links und rechts)

    Das Steuerventil kann bis 7 Sektionen haben, nur die zusammengesetzten Ventile, wo man jede Sektion einzeln dazu geben kann, kann man bis unendlich zusammenbauen.

     

    Wirkung:

    Alle Hydraulikventile sind mit einem Sicherheitsventil ausgestattet.  In der Neutralstellung (Hebel in der Mitte) zirkuliert das Öl durch das Ventil.  Wenn der Hebel zur einen oder anderen Seite bewegt wird, bewirkt das Hydraulikventil eine Bewegung des Zylinders oder eine Drehung des Hydraulikmotors in die eine oder andere Richtung.  Wenn der Hebel losgelassen wird, kehrt er automatisch in die Neutralstellung zurück, der Hydraulikmotor oder -zylinder bleibt in seiner aktuellen Position stehen und das Öl wird durch das Ventil zurückgeführt.  Es besteht die Möglichkeit, ein so genanntes "Closed Center"-Element zu verwenden, das das Ventil so verändert, dass in der Neutralstellung kein Öl mehr durch das Ventil zirkuliert oder es nicht mehr durchströmt.  Bei der Verwendung oder Anbindung anderer Ventile muss eine "Carry-Over"-Verbindung verwendet werden, um die Ölversorgung der anderen Ventile zu ermöglichen.
     
    Bei Ventilen mit Schieber für Schwimmfunktion ermöglicht dies den freien Durchfluss des Zylinders, was bedeutet, dass sich der Zylinder frei bewegt (oder der Schneepflug sich dem Gelände anpasst).
     
     Ventile mit Schieber für EW Funktion sind für EW Zylinder ausgelegt.

     

    Struktur:

    Р40 ist ein Monoblock Distributivgesetztes Ventil. Aus Gusseisen EN-GJL300 hergestellt. Schieber ist aus Kohlenstoffstahl gemacht und ist hart verchromt.

     

    Anschlüsse:

    Der Spindel ist mit zwei M8 Schrauben befestigt.

    Lieferant:
    Bulgarien
    Maximale ''T'' Druck Anschluss:
    50 bar
    Rückerstattung oder Umtausch:
    14 Tagen
    Produkt gewicht:
    6,20 kg
    Nenndurchfluss:
    80 lit/min
    Garantie:
    6 Monate
    Betrieb Temperatur:
    -40 bis +60°C
    Maximale ''P'' Druck Anschluss:
    250 bar
    Öl Betriebstemperatur:
    -15 bis +80°C
    Fabrik ausliegende Sicherheitsventil:
    180 bar
    Sicherheitsventil Bereicheinstellungen:
    50-230 bar
    Max. ''A'' und ''B'' Druckanschluss:
    300 bar

    +43 664 184 37 71   info@rositeh.de

     

    ROSI Teh d.o.o. Alles für landwirtschaftliche und industrielle Hydraulik Poljčane, USt-ID: SI 42791375,  IBAN: SI56 0443 0000 3103 435

     

    Cookies für die Analyse
    Sie werden verwendet, um die Obskuritätsanalyse der Website aufzuzeichnen und uns Daten zur Verfügung zu stellen, um eine bessere Benutzererfahrung zu bieten.
    Cookies für soziale Netzwerke
    Cookies sind für Plug-Ins erforderlich, um Inhalte von sozialen Medien zu teilen.
    Cookies zur Kommunikation auf der Website
    Mit Cookies können Sie sich über das Kommunikations-Plug-In auf der Seite anmelden, kontaktieren und kommunizieren.
    Werbung Cookies
    Sie zielen auf zielgerichtete Werbung ab, die auf der Aktivität von früheren Nutzern auf anderen Websites basiert.
    Was sind cookies?
    Durch den Besuch und die Nutzung der Website stimmen Sie der Verwendung und Aufzeichnung von Cookies zu.OK Erfahren Sie mehr über Cookies