Novi artikli
ODGON ZA HIDRAVLIČNO ČRPALKO - ISUZU MOY CR VACUUM
Šifra:
12891
OEM:
9990000081240
Stopnja davka
22 %
Cena brez DDV:
250,00 EUR
Cena z DDV:
305,00 EUR
Ref:
1

Informativen izračun ob nakupu na obroke
polog0,00 EUR
3 × 110,42 EUR
polog0,00 EUR
6 × 55,83 EUR
polog0,00 EUR
12 × 28,54 EUR
polog0,00 EUR
24 × 14,91 EUR
polog0,00 EUR
36 × 10,38 EUR
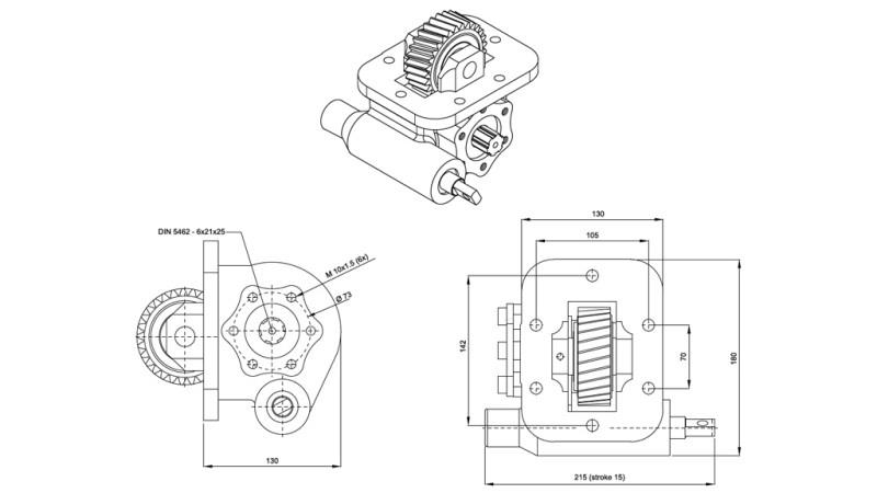
Opis:
Odgoni so primerni za tovorna vozila, kjer je potreba po namestitvi hidravlične črpalke. Možna je namestitev litoželezne črpalke tip:
ISO (črpalka za pritrditev s tremi (3) vijaki)
UNI (črpalka za pritrditev s štirimi (4) vijaki)
Ustreza za menjalnike tip:
MOY-9F / MOY-9H / MOYCR
Primerno za vozila: Isuzu
4.3 NP 66-71-75-77 ISUZU CHAMPION (2005-2006) / NKR 250 / NKR 66 E2L
Dobavitelj:
Turčija
Tip:
ISO (3 vijaki)
Vračilo ali menjava:
14 dni
Navor:
225 Nm
krmiljenje:
vakuumsko
Vrtljaji:
1000 vrt/min
Teža izdelka:
13 kg
Garancija:
6 mesecev
montaža :
levo
Obremenitev:
14,2 Hp (10,6 kW)
Razmerje prenosa:
1:1,03






