Novi artikli
OHIŠJE ZA 2 POTNI HID.VENTIL REXROTH 3/8 40-LIT
Šifra:
14134
OEM:
9990000157464
Stopnja davka
22 %
Cena brez DDV:
22,95 EUR
Cena z DDV:
28,00 EUR
Ref:
2
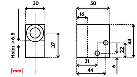
DIMENZIJE


Dobavitelj:
Italija
Vračilo ali menjava:
14 dni
Teža izdelka:
0,16 kg
Garancija:
6 mesecev
Navoj:
3/8"
Max. pretok:
40 L/min





