Nowe produkty
ADAPTER KARDANA Z KOŁNIERZEM 3 OTWORY I SWORZEŃ 1-3/8 (80 mm)
Kod produktu:
100109
OEM:
9990000021673
Stawka podatkowa
22 %
Cena bez VAT:
208,86 PLN
Cena z VAT:
254,81 PLN
Ref:
1
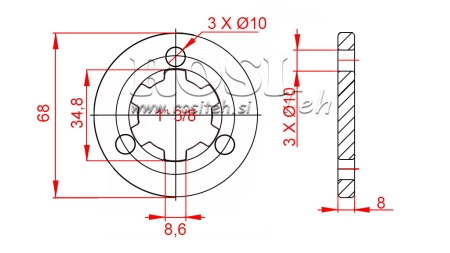
| POZYCJA | PROFIL ZEWNĘTRZNY | KOŁNIERZ Ø (mm) | DŁUGOŚĆ CAŁKOWITA (mm) |
| 100109 | 1" 3/8 | 68 | 80 |
OPIS
ADAPTERY PTO Z KOŁNIERZEM DO POMP są przeznaczone do niezawodnego napędu pomp hydraulicznych i innych za pomocą wałka PTO ciągnika. Zapewniają bezpośrednie połączenie między wałem a pompami montowanymi na kołnierzu, a profil wieloklinowy (liczba wieloklinów) gwarantuje precyzyjne dopasowanie i efektywne przenoszenie momentu obrotowego. Zintegrowany system blokujący (sworzeń lub śruba) umożliwia bezpieczne mocowanie i zapobiega przypadkowemu rozłączeniu podczas pracy. Solidna konstrukcja zapewnia długą żywotność oraz niezawodne działanie nawet przy dużych obciążeniach, dzięki czemu są idealne do zastosowań rolniczych i przemysłowych.






