Novi artikli
PRIORITETNI VENTIL 3/8 S SKALO IN VARNOSTNIM VENTILOM 0-30lit, 0-200bar
Šifra:
13097
OEM:
9990000087495
Stopnja davka
22 %
Cena brez DDV:
102,46 EUR
Cena z DDV:
125,00 EUR
Ref:
2

Informativen izračun ob nakupu na obroke
polog0,00 EUR
3 × 41,67 EUR
polog0,00 EUR
6 × 23,03 EUR
polog0,00 EUR
12 × 11,74 EUR
Opis:
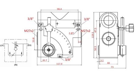
Prioritetni ventil s skalo in varnostnim ventilom se uporablja za regulacijo pretoka s kompenzacijo tlaka, kjer se pretok spreminja glede na položaj odprtja ročice. Ventil se namesti na ravno površino.
CF priključek (Controlled flow - Regulacijski pretok) - Pretok, ki prihaja iz CF priključka je kompenziran s tlakom in je sorazmeren glede na položaj ročice. Pretok iz CF lahko želeno spreminjamo.
EX priključek (Excess flow - Prekoračitveni pretok) - Pretok, ki prihaja iz EX priključka je kompenziran. Če je ročica nastavljena na 0, bo celoten pretok iztekel skozi EX priključek. EX priključek mora biti napeljan v rezervoar.
Dobavitelj:
Španija
Vračilo ali menjava:
14 dni
Teža izdelka:
3,80 kg
Garancija:
6 mesecev
max. nastavljivi tlak :
0-200 bar
max. nastavljivi pretok:
0 - 30 l/min
Max. pretok:
30 l/min
Max. tlak:
200 bar








