Nye artikler
PROPORTIONALSTYRINGSVENTIL FOR TRAKTORS FRONTLASTER - LOAD SENSING LVM92 EHP
| Teknisk informasjon | |
|
Leverandør: |
Türkiye |
|
Retur eller bytte: |
14 dager |
|
Garanti: |
6 måneder |
|
Type: |
LOAD SENSING |
|
Arbeidstrykk: |
250 bar |
|
Normalt flow: |
90 l/min |
|
Tilkobling gjenge: |
1/2" |
|
Antall seksjoner: |
2 |
Beskrivelse
LVM92-EHP er en monoblokkventil designet for frontlastere, som tilbyr utmerkede proporsjonale betjeningskarakteristikker og enkel installasjon, med flowrater på opptil 90 l/min og arbeidstrykk på opptil 250 bar.
Ventilen gir full elektro-proporsjonal kontroll, inkludert flytefunksjon, uavhengig av maskinens last og driftsforhold.
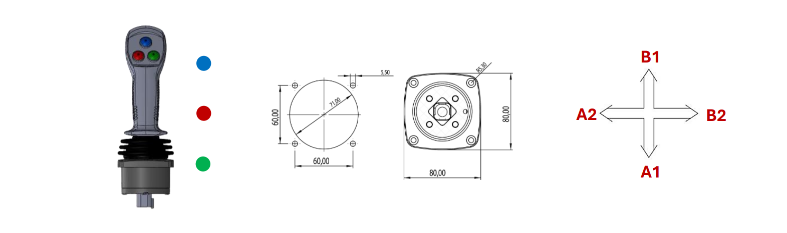
Sett inneholder ventilen, en proporsjonal kontrolljoystick og elektrisk ledningsnett.
Load Sensing-funksjonen gir enda mer presis proporsjonal kontroll og forbedret systemeffektivitet.
Bruksområde

For riktig systemdrift må alle trinn nedenfor følges nøye:
- Foreta tilkoblingen som vist over.
- Sørg for at den hydrauliske akkumulatoren er korrekt tilkoblet.
- Sjekk at innløpstrykket ikke overstiger 250 bar.
- Sørg for at nominell innløpsflow er 90 l/min.
- Kontroller at tilkoblingene på porter B1, A1, A2 og B2 er korrekt tilkoblet.
- Sørg for at avløps- eller lekkasjelinjen er riktig tilkoblet.
- Sjekk at T (tank) og P (trykk) linjene er tilkoblet og fungerer som de skal.



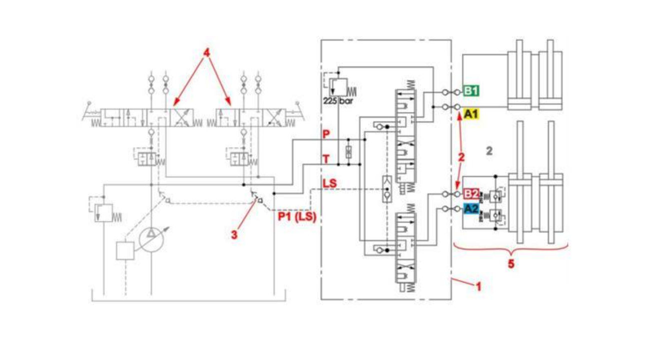
Diagrammet viser et LOAD SENSING hydraulikksystem:
1. Proporsjonalventil (LVM92 EHP) på høyre side av tilkoblingsgrensesnittet.
2. Grensesnitt for traktorens frontlaster.
3. Ekstra skifteventil for Load Sensing.
4. Hydrauliske ventiler allerede installert på traktoren kan brukes til andre forbrukere.
5. Traktorens frontlaster.
Tre hydraulikklinjer (P, T, P1) kobler LOAD SENSING-proporsjonalventilen til traktorens hydraulikksystem:
- P – trykklinjen
- T – returlinje (tank)
- P1 – Load Sensing (LS)

Koble ventilen som vist over:
- Sørg for at systemspenningen er 12 V.
- Kontroller at strømforsyningskabelen er riktig tilkoblet.
- Systemet må inkludere en kjedekabel og en 120 ohm motstand.
- Etter tilkobling av joystick, sørg for at ACAS-LEDene lyser grønt.
- Sjekk at alle kabler er sikkert og riktig tilkoblet.

- BLÅ knapp: 6/2 retningsventil (momentanbryter)
- RØD knapp: flytefunksjon (låsebryter)
- GRØNN knapp: treg/rask (låsebryter)
Flytefunksjon: Beveg joysticken i B1-retning (senking). Mens joysticken er i B1-posisjon, trykk på FLYT-knappen for å aktivere flytemodus. Advarsel: Ikke utfør denne operasjonen når traktorens frontlaster er hevet for høyt.









