Nya produkter
PROPORTIONELL STYRVENTIL FÖR TRAKTORFRONTLASTARE - OPEN CENTER LVM92 EHP
| Teknisk information | |
|
Leverantör: |
Turkiet |
|
Retur eller byte: |
14 dagar |
|
Garanti: |
6 månader |
|
Typ: |
ÖPPEN CENTRUM |
|
Arbetstryck: |
250 bar |
|
Nominal flöde: |
90 liter/min |
|
Anslutningsgänga: |
1/2" |
|
Antal sektioner: |
2 |
Beskrivning
LVM92-EHP är en monoblockventil designad för traktorfronthydraulik, som erbjuder utmärkta proportionella driftsegenskaper och enkel installation. Den har flöden på upp till 90 l/min och arbetstryck på upp till 250 bar.
Ventilen ger fullt elektroproportionell styrning, inklusive flottörfunktionen, oavsett last och driftsförhållanden.
Setet inkluderar ventilen, en proportionell kontrolljoystick och elektrisk kabeldragning.
Användning

För korrekt systemfunktion, följ noga alla stegen nedan:
- Gör anslutningen enligt bilden ovan.
- Säkerställ att den hydrauliska ackumulatorn är korrekt ansluten.
- Kontrollera att inkommande tryck inte överstiger 250 bar.
- Kontrollera att det nominella flödet är 90 l/min.
- Kontrollera att anslutningarna på portar B1, A1, A2 och B2 är korrekt kopplade.
- Säkerställ att retur- (läckage)linjen är korrekt ansluten.
- Kontrollera att T (tank) och P (tryck) linjer är anslutna och fungerar korrekt.

- Om du har två ventiler i hydrauliklinjen, koppla överföringsutgången från den första ventilen till tryckingången på den andra ventilen.
- Om endast en ventil används, koppla ventilens överföringsutgång direkt till tanken.


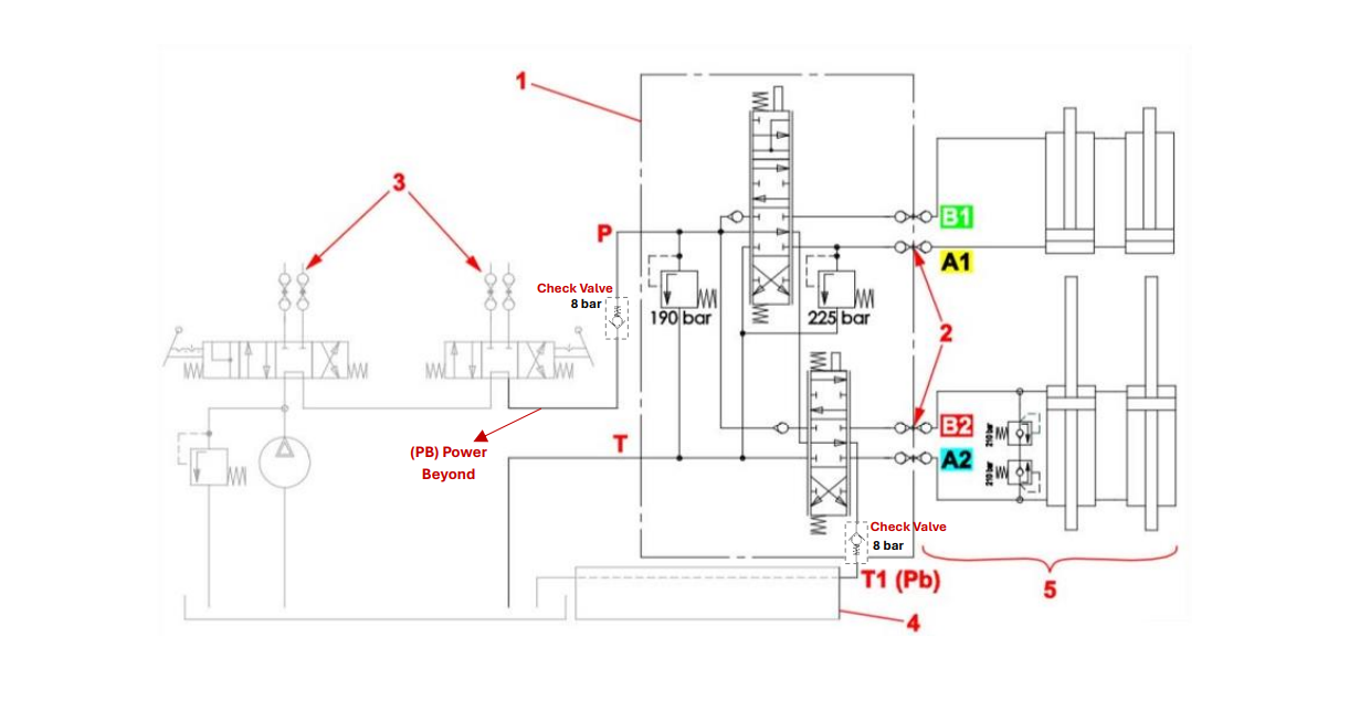
Diagrammet visar ett ÖPPEN CENTRUM hydrauliksystem:
1. Proportionell ventil (LVM92 EHP) på höger sida av anslutningsgränssnittet.
2. Gränssnitt för traktorfronthyvel.
3. Hydraulventiler som redan är installerade på traktorn kan användas för andra konsumenter.
4. Andra ventiler eller hjälpventiler.
5. Traktorfronthyvel.
Tre hydraulikledningar (P, T1, T) kopplar den ÖPPEN CENTRUM proportionella ventilen till traktorens hydrauliksystem:
- P – tryckledning
- T – returledning (tank)
- T1 – trycköverföring (Power Beyond – ”PB”) + 8 bar fjäderbelastad backventil

Koppla ventilen enligt bilden ovan:
- Säkerställ att systemspänningen är 12 V.
- Kontrollera att strömkabeln är korrekt ansluten.
- Systemet måste inkludera en kedjekabel och ett 120 ohms motstånd.
- Efter att joysticken kopplats in, kontrollera att ACAS-lysdioderna lyser grönt.
- Kontrollera att alla kablar är säkert och korrekt anslutna.

- BLÅ knapp: 6/2 riktningsventil (momentan knapp)
- RÖD knapp: flottörfunktion (låsbar knapp)
- GRÖN knapp: långsam/snabb (låsbar knapp)
Flottörfunktion: Flytta joysticken i B1-riktningen (sänkning). Medan joysticken är i B1-position, tryck på flottörknappen (FLOAT) för att aktivera flottörläge. Varning: Utför inte denna åtgärd när skopan är höjd för högt.









