Nya produkter
DRIVNING FÖR HYDRAULISK PUMP - VOLVO R6-1
Produktkod:
12879
OEM:
9990000081127
Skattesats
22 %
Pris utan moms:
934,29 SEK
Pris med moms:
1.139,83 SEK
Ref:
1
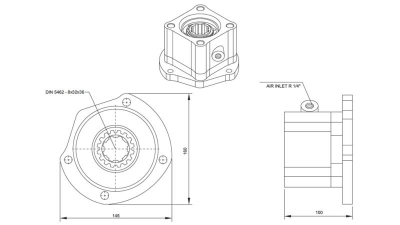
Beskrivning:
Drivningar är lämpliga för lastbilar där det finns behov av att installera en hydraulisk pump. Det är möjligt att installera en gjutjärnspump av typ:
ISO (pump för fäste med tre (3) skruvar)
UNI (pump för fäste med fyra (4) skruvar)
Lämplig för växellådor av typ:
R 62-SR61-R62/MR 62 B
Lämplig för fordon: Volvo
F 7-F 10-F 12-F 88-F 89-F 1020-F 1225-N 10-N 12 VOLVO
Leverantör:
Turkiet
Typ:
UNI (4 skruvar)
Retur eller byte:
14 dagar
vridmoment:
245 Nm
kontroll:
pneumatisk
Varv:
780 rpm
Produktvikt:
6 kg
Garanti:
6 månader
montering:
bak
Last:
26.5 Hp (19.8 kW)
överföringsförhållande:
1:1.2






