Nya produkter
HYDRAULIKVENTIL P81 AUTOMATISK FÖR KLYVARE
| Teknisk information | |
| Leverantör: | Bulgarien |
| Retur eller byte: | 14 dagar |
| Garanti: | 6 månader |
| Nominell oljeflödeshastighet: | 80 l/min |
| Spindelgång: | ± 7,9 mm |
| Arbetstemperaturområde: | från −40 °C till +60 °C |
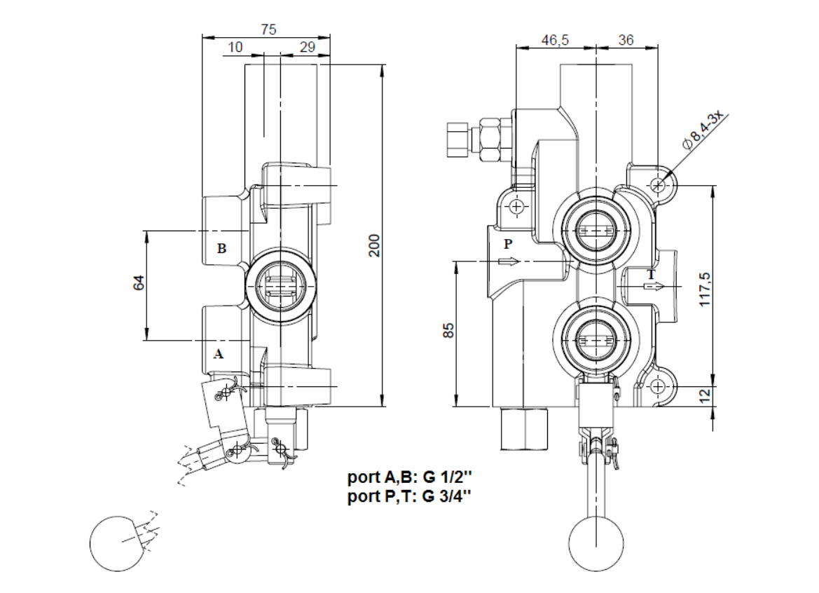
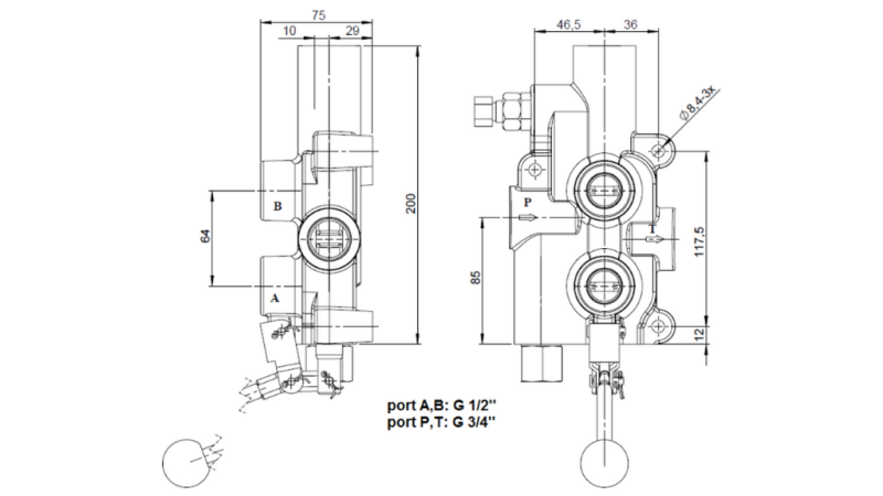
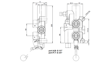
| Anslutningsgänga: | P- och T-port – 3/4", A- och B-port – 1/2" |
| Max. tryck: | P-port – 250 bar, T-port - 50 bar, A- och B-port – 300 bar |
| Säkerhetsavlastningsventil: | fabriksinställd på 150 bar |
Beskrivning
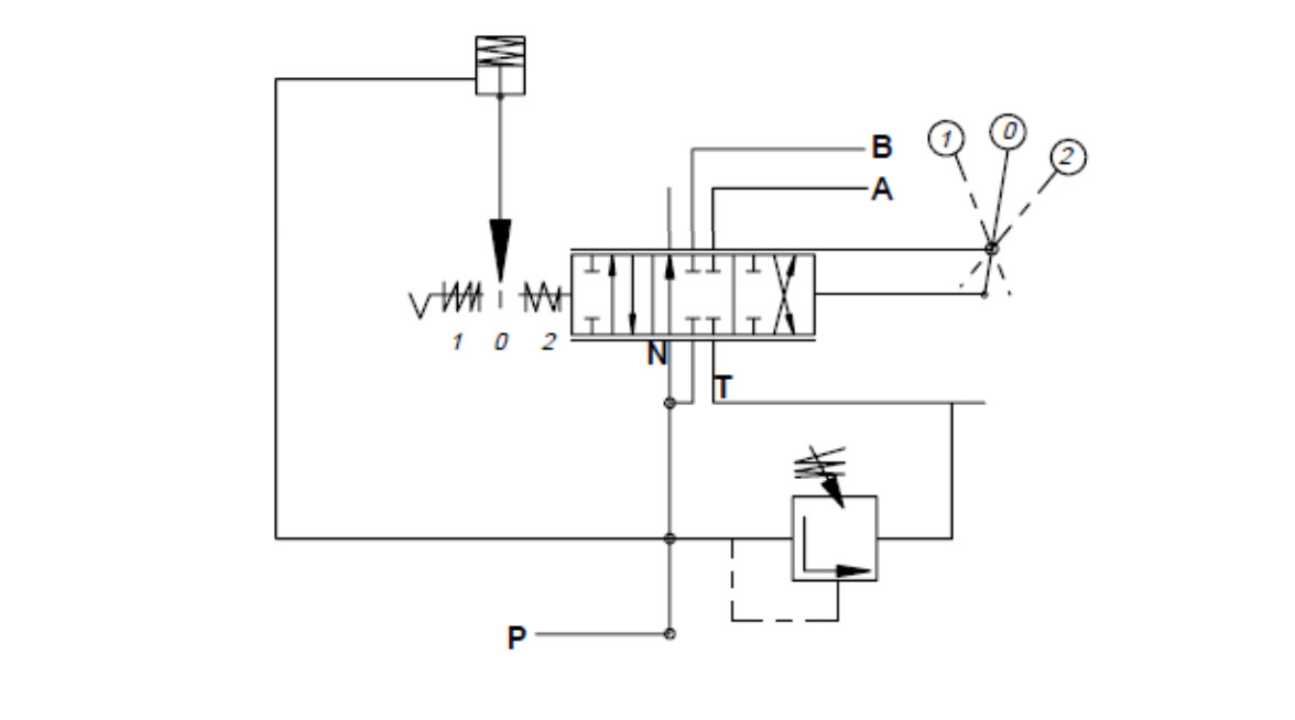
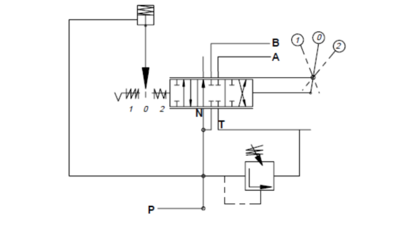
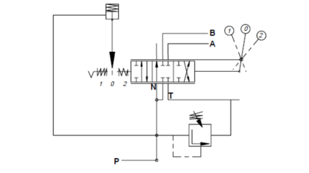
P81 hydraulventilen är designad för användning på vedklyvar. Den har fjäderretur i en riktning och ett tryckutlösande system i motsatt riktning, vilket automatiskt återför spaken till neutralläget. P81-ventilen inkluderar också en manuellt justerbar säkerhetsavlastningsventil.
Tryckutlösande stift
Tryckutlösningssystemet möjliggör att spaken kan släppas och återgå till neutralläget. När släden manuellt flyttas till tryckutlösningsläget, leds oljan till ”B”-sektionen. När trycket i ”B”-sektionen överstiger inställt värde frigör tryckutlösningsstiftet styrspaken och återför den till neutralläget. Fabriksinställningen för utlösningsfunktionen är 70 bar.
VARNING: Om tryckutlösningsstiftet ställs in på för högt tryck, kommer inte spaken att återgå till neutralläget. Om trycket är inställt för lågt, kommer inte tryckutlösningsstiftet hålla spaken i utlösningsklart läge.
Justerbar säkerhetsavlastningsventil – den standard fabriksinställningen för säkerhetsavlastningsventilen är 150 bar.
Spakens riktning kan väljas till ”uppåt” eller ”nedåt” beroende på maskinens monteringsposition. Detta görs enkelt genom att rotera spaken 180°. Alla stift säkras med DIN 94-sprintar.












