Nya produkter
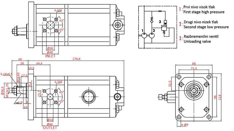
HYDRAULISK PUMP GR.2 HI-LO 22C3,5/11X815R
Produktkod:
13676
OEM:
9990000100378
Skattesats
22 %
Pris utan moms:
2.766,24 SEK
Pris med moms:
3.374,82 SEK
Ref:
2
Beskrivning:
Den Hi-Low hydrauliska pumpen (High-Low, HL) används i system där hög och låg tryck krävs för drift. Detta innebär att de är idealiska för applikationer där långsam rörelse behövs under tunga laster och snabbare rörelse under låg last. Övertrycksventilen öppnar vid 65 bar.
Leverantör:
Bulgarien
Retur eller byte:
inte möjligt
cm/varv:
framsidan: 3.5cm3, baksidan: 11cm3
Produktvikt:
5.60 kg
Garanti:
6 månader
max. RPM:
3000 rpm
max. tryck:
framsidan: 250 bar, baksidan: 70 bar










