Nové položky
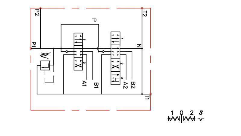
RUČNÝ HYDRAULICKÝ VENTIL MONOBLOKOVÝ 2xZ80 + PLÁVAJÚCA FUNKCIA
Kód
10467
OEM
9990000003921
Sadzba dane
22 %
Cena bez DPH:
135,25 EUR
Cena s DPH
165,00 EUR
Ref:
9
Dodávateľ:
Bulharsko
maximálny tlak pripojenia "T":
50 bar
Vrátenie alebo výmena:
14 dní
Hmotnosť produktu:
6.45 kg
menovitý prietok:
80 l/min
Záruka:
6 mesiacov
prevádzková teplota:
-40 do +60°C
maximálny tlak pripojenia "P":
250 bar
prevádzková teplota oleja:
-15 do +80°C
nastavenie bezpečnostného ventilu:
180 bar
rozsah nastavenia bezpečnostného ventilu:
50-230 bar
maximálny tlak pripojenia "A" a "B":
300 bar







