Novi artikli
MULTIPLIKATOR GR.2 -1:3 ŽENSKI
Šifra:
100596
OEM:
9990000071876
Stopnja davka
22 %
Cena brez DDV:
106,56 EUR
Cena z DDV:
130,00 EUR
Ref:
0

Informativen izračun ob nakupu na obroke
polog0,00 EUR
3 × 43,33 EUR
polog0,00 EUR
6 × 23,95 EUR
polog0,00 EUR
12 × 12,21 EUR
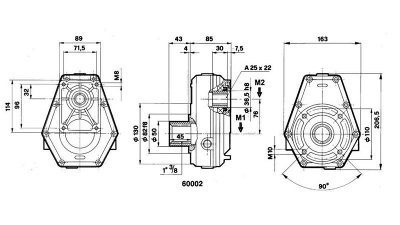
Uporaba
Multiplikator se koristi za povečanje vrtljajev zobniške črpalke in s tem posledično povečanje pretoka same črpalke.
Najpogosteje so uporabljeni za cepilce drv, traktorske nakladače in ostale traktorske priključke.
V osnovi sta moška izvedba z povezavo preko kardana in ženska izvedba z zatičem za namestitev neposredno na traktorski kardan.
Dobavitelj:
Italija
Vračilo ali menjava:
14 dni
Priključek:
ženski - 1” 3/8
Vrtljaji:
max. 3000 rpm
Vhodni moment:
180 Nm
Izhodni moment:
55 Nm
Teža izdelka:
4,6 kg
Vhodni vrtljaji:
540 rpm
Izhodni vrtljaji:
1680 rpm
Razmerje prenosa:
1:3
Garancija:
6 mesecev
Delovna temperatura:
od -20 do +180°C
Za obremenitve:
10 kW










