Nye produkter
MANUAL 6 VEJS VENTIL DF 3/8 - 35LIT
Produktkode:
10337
OEM:
9990000002726
Moms sats
22 %
Pris uden moms:
343,00 DKK
Pris med moms:
418,47 DKK
Ref:
6
Brug:
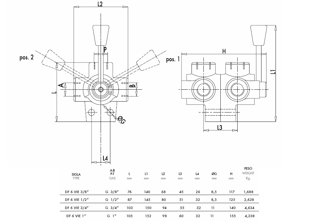
Ventilen bruges som en dobbelt trevejsventil. Oliestrømmen, der passerer ind i ventilen gennem to dobbelte indgange, omdirigeres til to dobbelte udgange. En kontrolarm styrer begge sæt samtidig.
Materiale:
Hus: støbejern, indre del hårdmetal
Tætning: Buna N standard
Forbindelse:
Forbind 'P' og 'P'' til begge tryksider. Forbind 'A' og 'B' til den første aktuator/cylinder og 'A'' og 'B'' til den anden aktuator/cylinder. Når armen er i position 1, er 'P' forbundet til 'A' og 'P'' til 'A''. Når armen er i position 2, er 'P' forbundet til 'B' og 'P'' til 'B''. Når armen er i midterposition, er alle porte sammenkoblet (åben center).
Leverandør:
Italien
Maksimalt tryk:
250 bar
Returnering eller ombytning:
14 dage
Produktvægt:
1,688 kg
Garanti:
6 måneder
Max. flow:
35 l/min






