Novi artikli
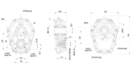
MULTIPLIKATOR GR.3 -1:3,8 OSOVINA
Šifra:
100502
OEM:
9990000065448
Stopnja davka
22 %
Cena brez DDV:
137,70 EUR
Cena z DDV:
168,00 EUR
Ref:
1

Informativen izračun ob nakupu na obroke
polog0,00 EUR
3 × 60,82 EUR
polog0,00 EUR
6 × 30,75 EUR
polog0,00 EUR
12 × 15,72 EUR
Uporaba
Multiplikator se koristi za povečanje vrtljajev zobniške črpalke in s tem posledično povečanje pretoka same črpalke.
Najpogosteje so uporabljeni za cepilce drv, traktorske nakladače in ostale traktorske priključke.
V osnovi sta moška izvedba z povezavo preko kardana in ženska izvedba z zatičem za namestitev neposredno na traktorski kardan.

Dobavitelj:
Italija
Vračilo ali menjava:
14 dni
Vhodni moment:
437 Nm
Izhodni moment:
115 Nm
Teža izdelka:
8,1 kg
Vhodni vrtljaji:
540 vrt/min
Izhodni vrtljaji:
2057 vrt/min
Razmerje prenosa:
1:3,8
Garancija:
6 mesecev
Za obremenitve:
20 kW









